产品展示
TG34-S-10手转阀,stnc手拉阀,索诺天工控制元件
首页 / 产品中心 / 转阀
产品标题:TG34-S-10手转阀,stnc手拉阀,索诺天工控制元件
产品ID:VIB20120519161030734
品  牌:STNC索诺天工
所在地:中国 上海
价  格:面议 (大量采购价格面议)
库存状态:货期待查
更新日期:2025-4-24 3:47:39
咨询电话:(+86)021-51699285
咨询Q Q: 2695337323
产品简述

TG34-S-06,TG34-S-08,TG34-S-10,TG34-S-15,TG34-S-06E,TG34-S-08E,TG34-S-10E,TG34-S-15E,TG34-S-10H,TG34-S-15H

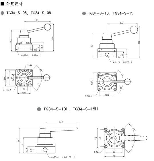
产品详情



技术参数

规格、项目
功能
接管口径
通径(mm)
工作介质
使用压力范围
控制方式
润滑
介质温度
TG34-S-06
三位四通
G1/8
6
空气
0~1.0MPa
手动式
不需要
-5~60℃
TG34-S-08
G1/4
8
TG34-S-10
G3/8
10
TG34-S-15
G1/2
15
TG34-S-06E
G1/8
6
TG34-S-08E
G1/4
8
TG34-S-10E
G3/8
10
TG34-S-15E
G1/2
15
TG34-S-10H
G3/8
10
TG34-S-15H
G1/2
15